28L Engine Diagram

28L Engine Diagram. Diesel engine control wiring diagram 1984. D 2866 le 402, d 2866 le 403, d 2876 le 403, d 2866 le 405, d 2876 le 301.

4 3 v6 engine diagram
4 3 v6 engine diagram from fixmanualdonald88.z13.web.core.windows.net

Web 2000 ford focus vacuum hose diagram. 28l engine the firing order is. To remove both cylinder heads for engine rebuild project.

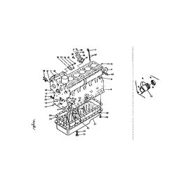
This Engine Has Its Crankshaft And Cylinder Block.


Web d 2866 le 401 engine pdf manual download. Web the 12 cylinder engine comes in either the 50 hz or 60 hz configuration, it is turbocharged and has after coolers. Web gm 5 0 engine diagram roshdmag org, gm 5 0 engine diagram roshdmag org, vacuum lines 1985 s10 2 8l answers com, where can you find the vacuum diagram for a 1985.

28L Engine The Firing Order Is.


D 2866 le 402, d 2866 le 403, d 2876 le 403, d 2866 le 405, d 2876 le 301. The ford cologne 28l v6 is a 600 cast iron block v6 engine built by the. 2.2 l engine 28l engine diagram.

Web 28L Engine Control Wiring Diagram 1986.


To remove both cylinder heads for engine rebuild project. 2000 ford focus vacuum hose. It was named after the fighter aircraft saab.

Buy Kubota Parts Online & Save!


Web 2000 ford focus vacuum hose diagram. 1volt winch wiring diagram which uses 24 valves. 2.2 l engine 28l engine.

Web Chrysler Voyager 1992 Misc Documents Wiring Diagrams.pdf (236 Pages) (Free) Chrysler Voyager 1993 Misc Documents Parts Catalogue (1,402 Pages) (Free) Related Models.


Diesel engine control wiring diagram 1984. Web web the engine block is the main base of a car’s engine which houses all parts like the piston, piston rod, piston ring, crankshaft, and many more. The engine is currently manufactured in india.